-
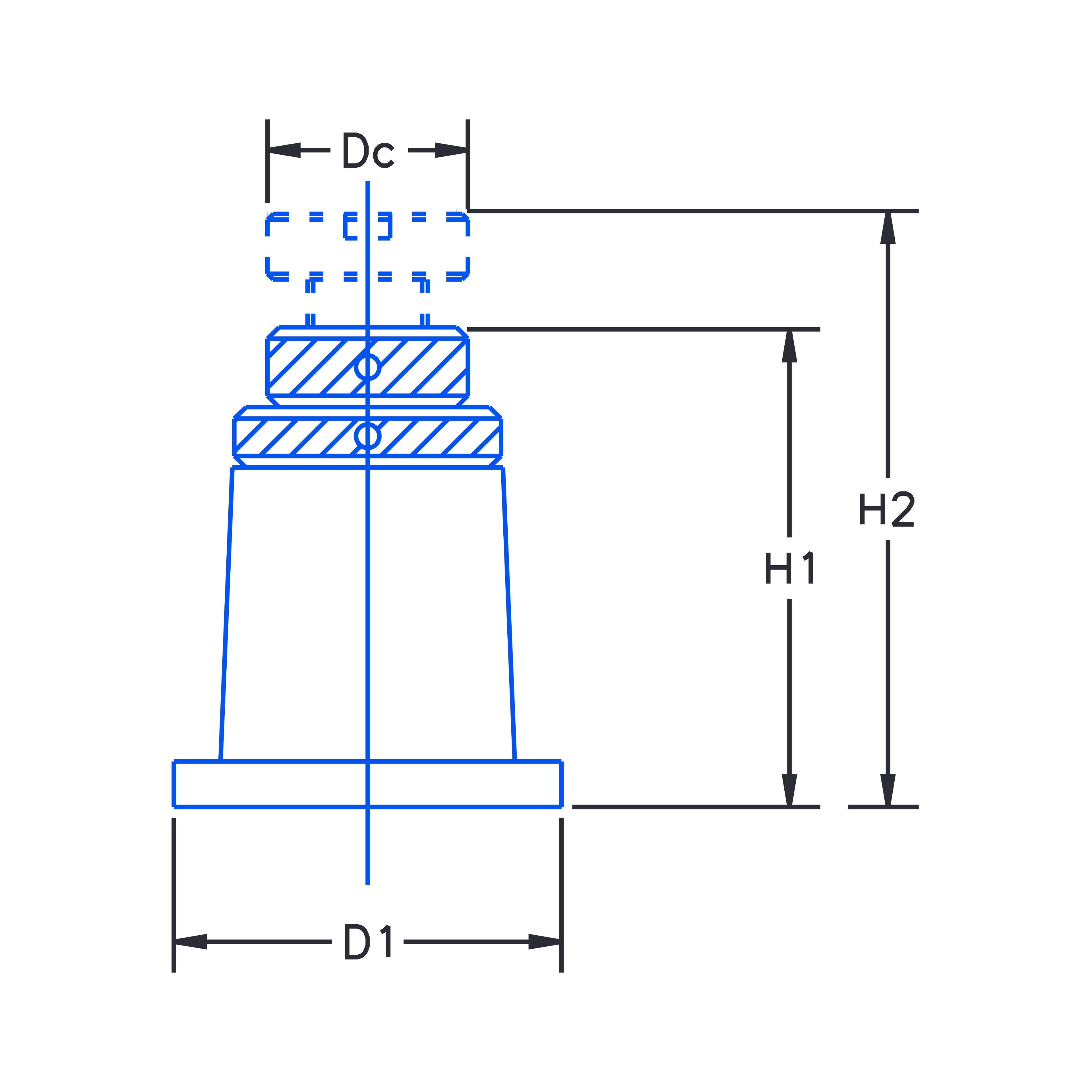
Screw jack with swivel head and steel body -
Screw jack with single side flange and Ring Type lock nut -
Screw jack for quality layout application -
Screw jack with conical head and steel body -
Screw jack with steel body -
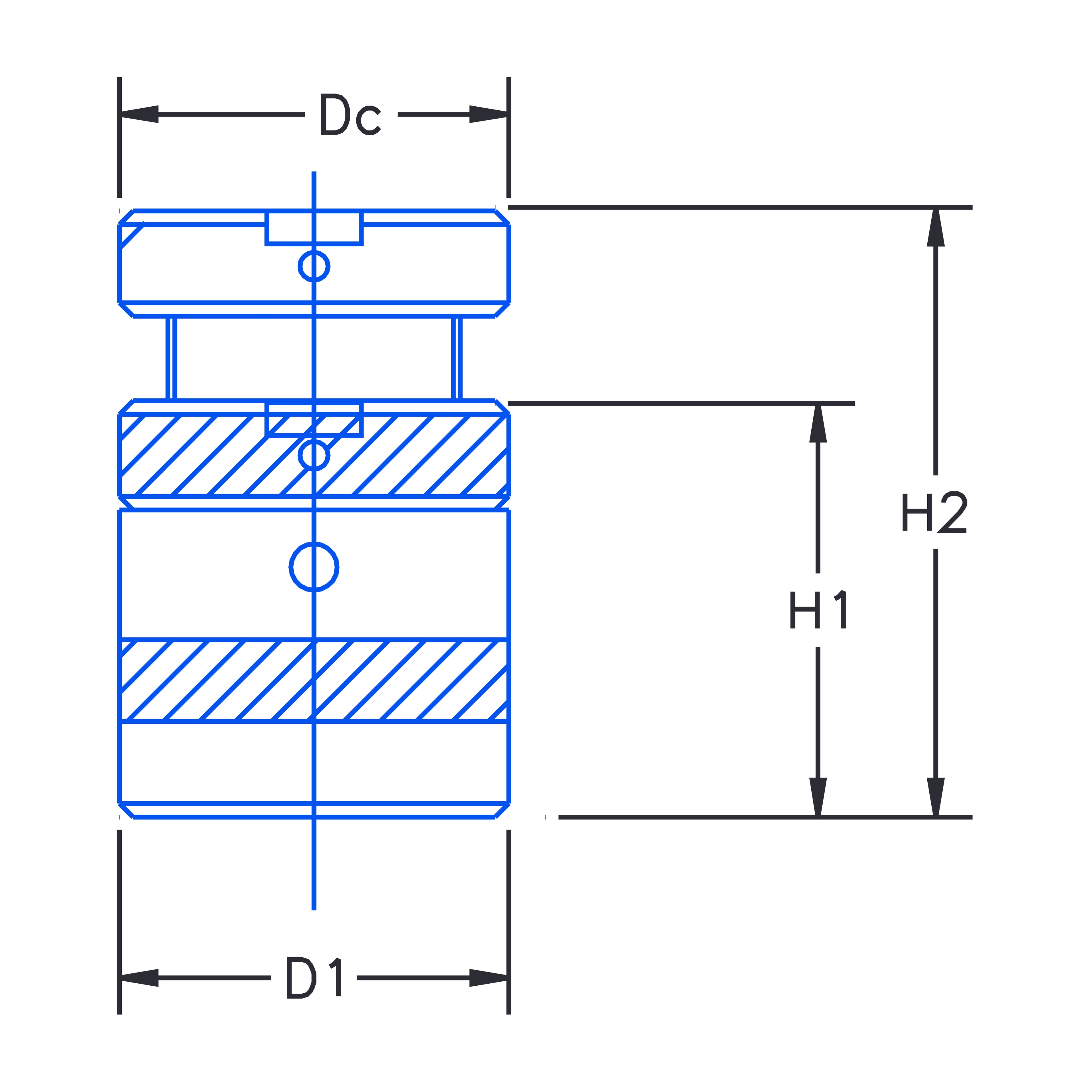
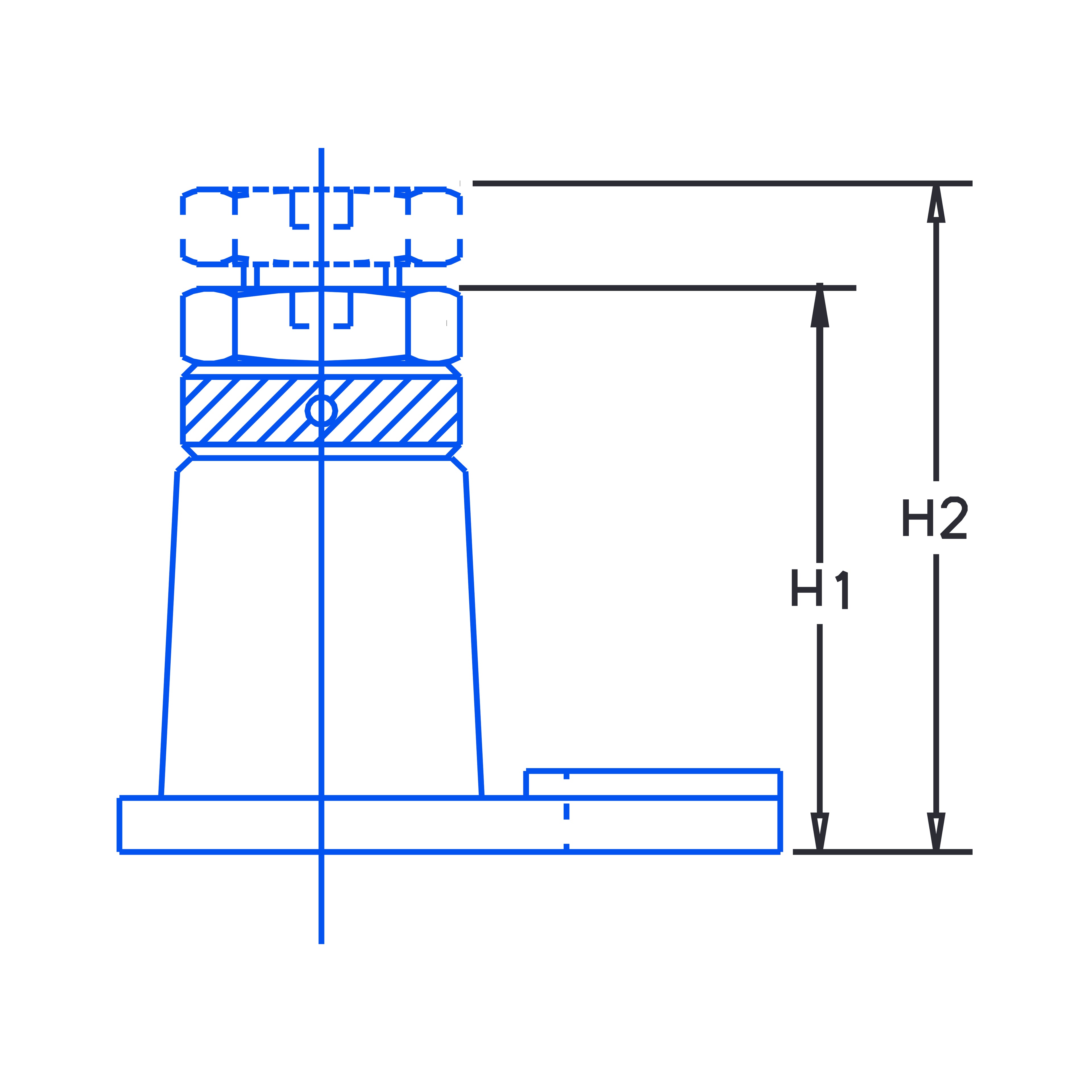
Screw jack with lock nut -
Screw jack with conical head and locknut -
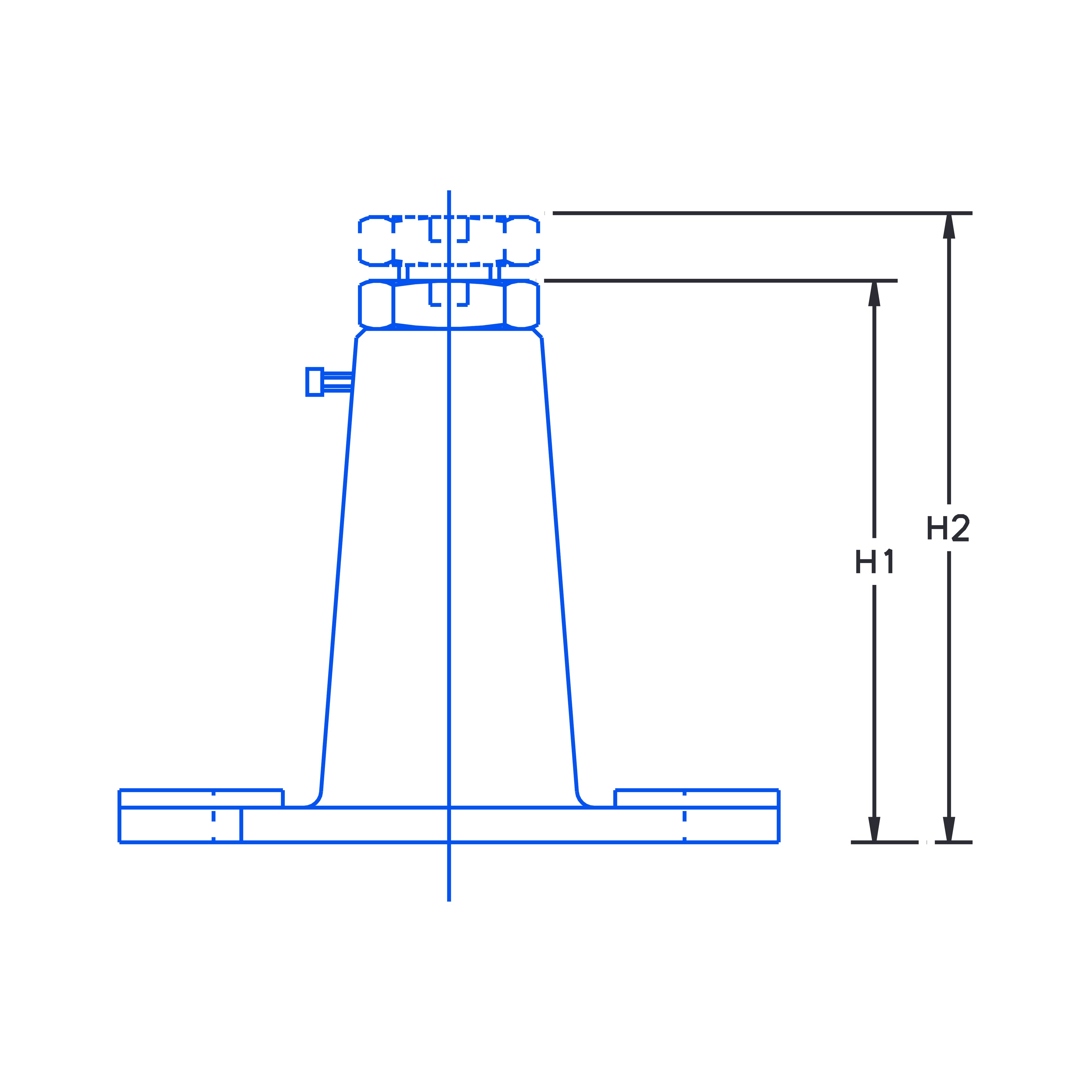
Heavy duty screw jack with double side flange and side brass locking screw -
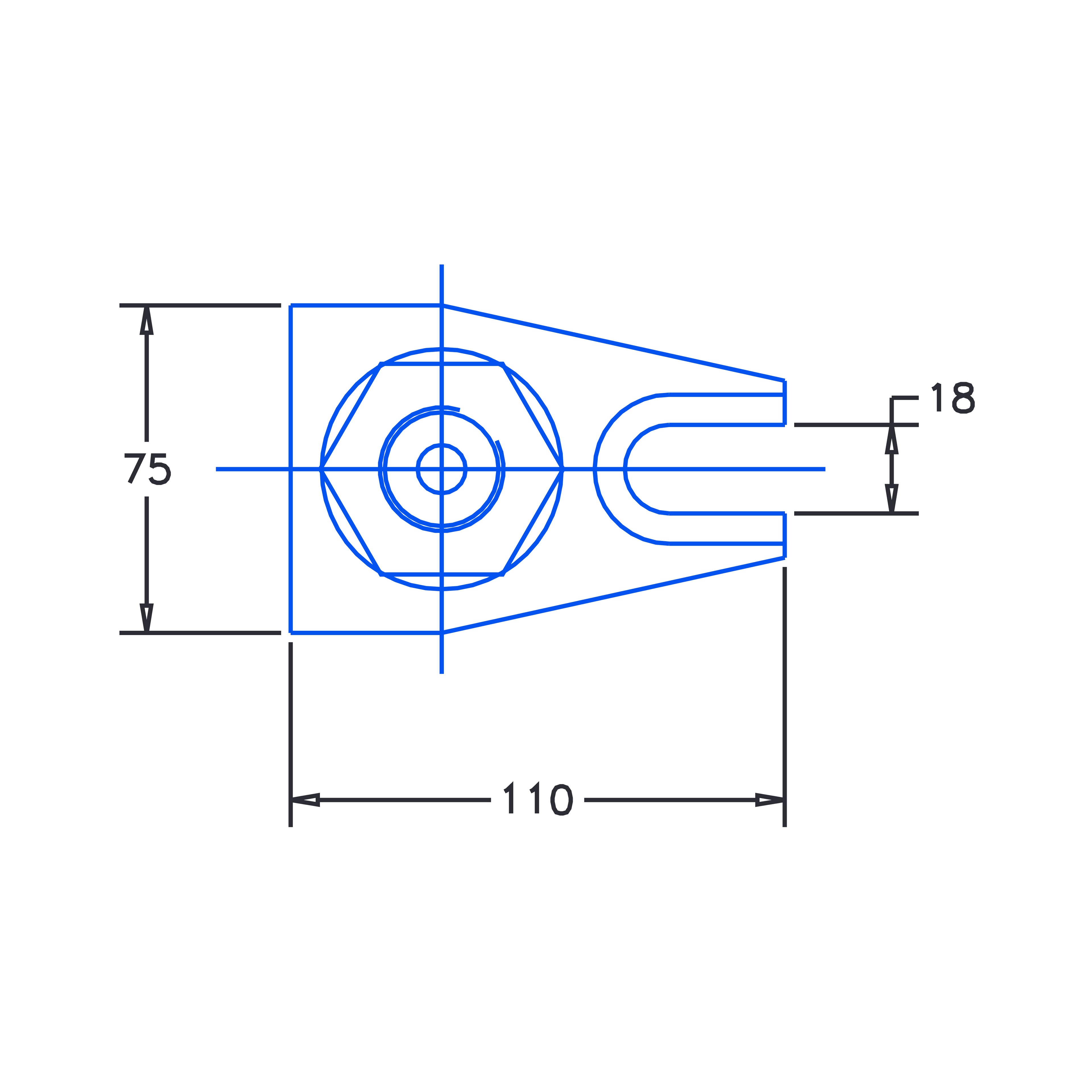
Pads for screw jacks -
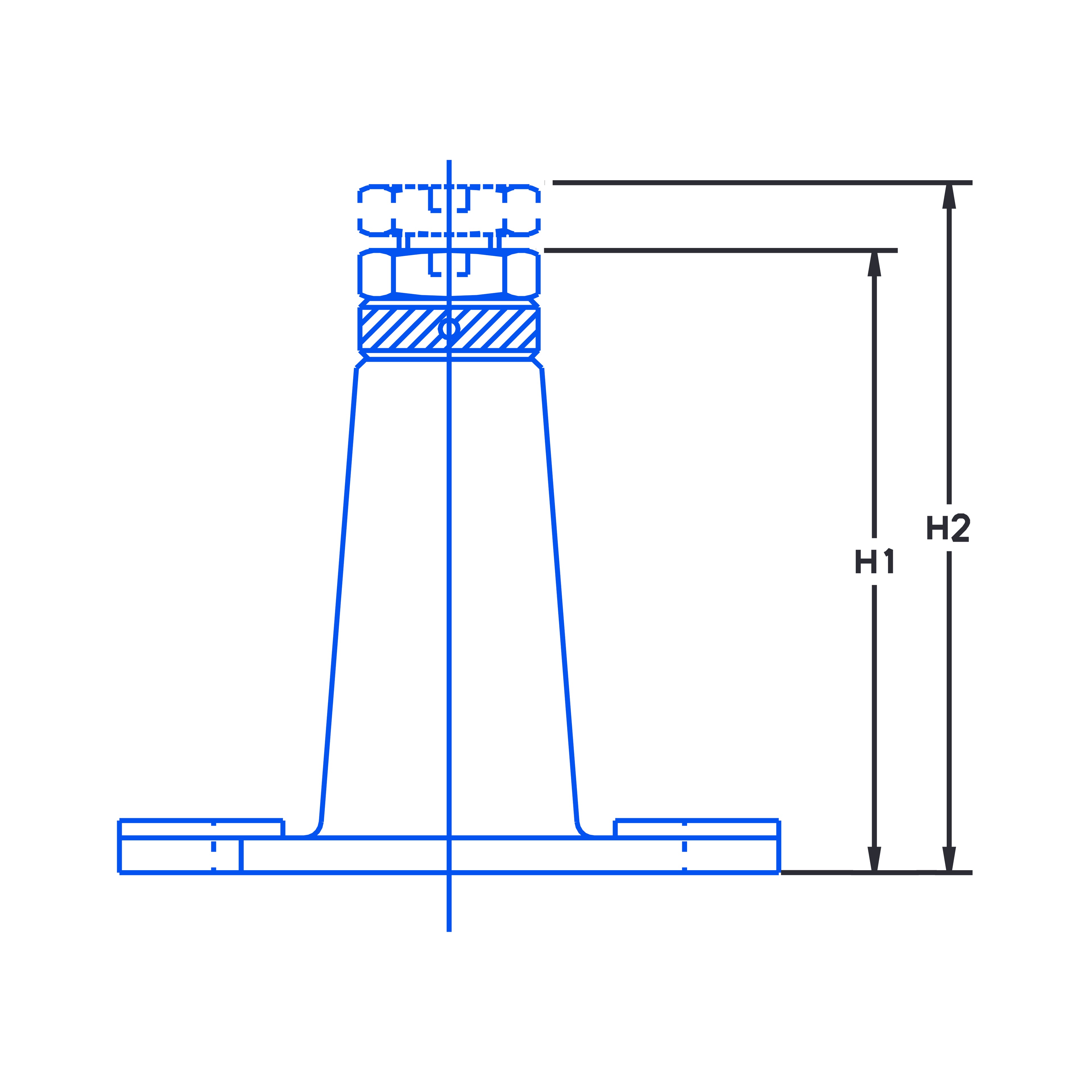
Screw jack with double side flange and lock nut -
Broad base screw jack with lock nut